上一个产品 - 下一个产品
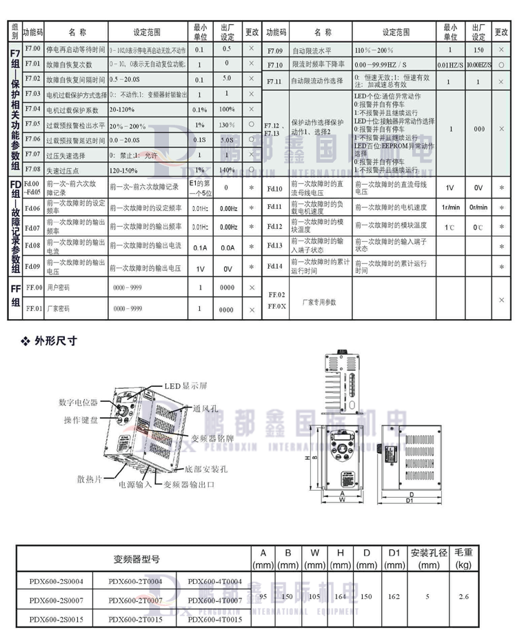
外形尺寸
 

外形尺寸

 
详细说明:

关闭打印